客製化
客製化
光學元件
光學透鏡
技術突破
技術突破
應用領域
應用領域
資源
資源
下載
展覽活動
訊息
影片
關於我們
關於我們
關於我們
客製化及OEM光學元件
聯絡我們
聯絡我們
en
English
繁体中文
Japanese
Korean
Russian
German
首頁
/
客製化
/
光學元件
/
光學棱鏡
/
菱形棱柱
光學棱鏡
菱形棱柱
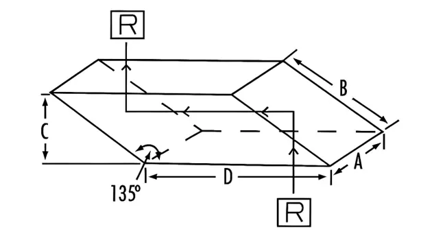
菱形棱鏡用於在不改變光束方向的情況下使其橫向位移。它們可以鍍膜以透射部分光束,從而產生兩束平行且錯位的出射光束。菱形棱鏡也可以鍍膜以形成偏振分光鏡。
聯絡我們
立即諮詢
繪畫
規格 菱形棱柱
相關建議
繪畫
規格 菱形棱柱
專案
參數
材料
BK7玻璃/紫外線熔融石英
表面平整度
< λ / 8 @ 633 nm
表面質量
60/40、40/20、20/10
尺寸公差
+0.00 / –0.20 毫米
角度偏差
< 3 角分~ 30 角秒。
清晰光圈
> 85%
斜角
0.3毫米 x 45°
塗層
根據客戶要求
標籤:
上一页
光導棱鏡
下一页
直角棱鏡
返回列表
相關建議
鮑威爾棱鏡
閱讀更多
金字塔棱镜
閱讀更多
八角形導光桿
閱讀更多
30° - 60° - 90° 利特羅色散棱鏡
閱讀更多
鴿子棱鏡
閱讀更多
光導棱鏡
閱讀更多
聯絡我們以取得技術支援
聯絡ECOPTIK銷售工程師團隊,取得客製化光學解決方案
名稱
*
電子郵件
*
國家
*
內容
*
提交
+86-0431-89180668
首頁
客製化
光學元件
光學透鏡
技術突破
應用領域
資源
下載
展覽活動
訊息
影片
關於我們
關於我們
客製化及OEM光學元件
聯絡我們
語言
English
繁体中文
Japanese
Korean
Russian
German